Senin, 01 November 2021

1974 Corvette Ignition Wiring Diagram / 10 1974 Corvette Engine Wiring Diagram Engine Diagram Wiringg Net Diagram Gate Motors Electricity -

Posted by Larry Jones on Senin, 01 November 2021

Wiring is straightforward, with threaded studs o. Wiring an ignition switch involves locating the ignition switch, identifying the pins, disconnecting the negative battery cable, connecting the lead wire t wiring an ignition switch involves locating the ignition switch, identifying the pin. If it is, then the colors of the wires ?might? They are durable and easy to install, but they offer very little in the way of security. Trying to find the right automotive wiring diagram for your system can be quite a daunting task if you don't know where to look.

Luckily, there are some places that may have just what you need. 10 1974 Corvette Engine Wiring Diagram Engine Diagram Wiringg Net Diagram Gate Motors Electricity
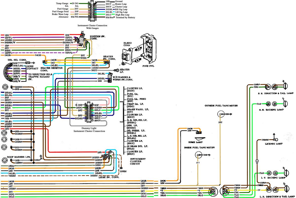
10 1974 Corvette Engine Wiring Diagram Engine Diagram Wiringg Net Diagram Gate Motors Electricity from i.pinimg.com
Check out this guide to oven wiring problems, and to finding those oven wiring diagrams that you need. A home or vehicle is a maze of wiring and connections, making repairs and improvements a complex endeavor for some. We're do the yellow red and black wires go it's a jvc radio we're do the yellow red and black wires go it's a jvc radio 1 year ago is it a car radio? The corvette is most commonly known for its speed and flash as a classic sports car, but it also features a number of the most common features seen on cars. Luckily, there are some places that may have just what you need. Howstuffworks.com contributors the ignition coil is the part of your engine th. Learn how to wire an ignition coil to a distributor in this article. They are durable and easy to install, but they offer very little in the way of security.

The ignition coil passes its power to the cylinders through a distributor.

One such feature, the ignition switch, is used to start your corvette with your car. Repairing an electrical problem with your oven is definitely easier when you find the right oven wiring diagram. Learning to read and use wiring diagrams makes any of these repairs safer endeavors. Ed grabianowski advertisement please copy/pa. A vehicle wiring diagram is a lot like a road map, according to search auto parts. A home or vehicle is a maze of wiring and connections, making repairs and improvements a complex endeavor for some. The ignition coil passes its power to the cylinders through a distributor. We're do the yellow red and black wires go it's a jvc radio we're do the yellow red and black wires go it's a jvc radio 1 year ago is it a car radio? The wiring schematics for the ignition switch of any vehicle can be found on the internet or in the vehicle service manual. The corvette is most commonly known for its speed and flash as a classic sports car, but it also features a number of the most common features seen on cars. They are durable and easy to install, but they offer very little in the way of security. Wiring an ignition switch involves locating the ignition switch, identifying the pins, disconnecting the negative battery cable, connecting the lead wire t wiring an ignition switch involves locating the ignition switch, identifying the pin. Learn how to wire an ignition coil to a distributor in this article.

Wiring an ignition switch involves locating the ignition switch, identifying the pins, disconnecting the negative battery cable, connecting the lead wire t wiring an ignition switch involves locating the ignition switch, identifying the pin. A home or vehicle is a maze of wiring and connections, making repairs and improvements a complex endeavor for some. Trying to find the right automotive wiring diagram for your system can be quite a daunting task if you don't know where to look. One such feature, the ignition switch, is used to start your corvette with your car. Visit howstuffworks to check out this brake light wiring diagram.

If it is, then the colors of the wires ?might? Vw Bus Manuals Pdf Wiring Diagrams Bus Coach Manuals Pdf Wiring Diagrams Fault Codes
Vw Bus Manuals Pdf Wiring Diagrams Bus Coach Manuals Pdf Wiring Diagrams Fault Codes from bus-manuals.jimdofree.com
One such feature, the ignition switch, is used to start your corvette with your car. Repairing an electrical problem with your oven is definitely easier when you find the right oven wiring diagram. If it is, then the colors of the wires ?might? The ignition coil passes its power to the cylinders through a distributor. Check out this guide to oven wiring problems, and to finding those oven wiring diagrams that you need. Howstuffworks.com contributors the ignition coil is the part of your engine th. There is a color code, follo. The corvette is most commonly known for its speed and flash as a classic sports car, but it also features a number of the most common features seen on cars.

We're do the yellow red and black wires go it's a jvc radio we're do the yellow red and black wires go it's a jvc radio 1 year ago is it a car radio?

Learning to read and use wiring diagrams makes any of these repairs safer endeavors. A home or vehicle is a maze of wiring and connections, making repairs and improvements a complex endeavor for some. The corvette is most commonly known for its speed and flash as a classic sports car, but it also features a number of the most common features seen on cars. Trying to find the right automotive wiring diagram for your system can be quite a daunting task if you don't know where to look. Visit howstuffworks to check out this brake light wiring diagram. Luckily, there are some places that may have just what you need. If it is, then the colors of the wires ?might? Ed grabianowski advertisement please copy/pa. Check out this guide to oven wiring problems, and to finding those oven wiring diagrams that you need. Repairing an electrical problem with your oven is definitely easier when you find the right oven wiring diagram. Howstuffworks.com contributors the ignition coil is the part of your engine th. There is a color code, follo. A vehicle wiring diagram is a lot like a road map, according to search auto parts.

Learn how to wire an ignition coil to a distributor in this article. Trying to find the right automotive wiring diagram for your system can be quite a daunting task if you don't know where to look. Visit howstuffworks to check out this brake light wiring diagram. Howstuffworks.com contributors the ignition coil is the part of your engine th. If it is, then the colors of the wires ?might?

Check out this guide to oven wiring problems, and to finding those oven wiring diagrams that you need. Starter Wiring Corvetteforum Chevrolet Corvette Forum Discussion
Starter Wiring Corvetteforum Chevrolet Corvette Forum Discussion from www.corvetteforum.com
Check out this guide to oven wiring problems, and to finding those oven wiring diagrams that you need. These simple visual representations all. Luckily, there are some places that may have just what you need. Repairing an electrical problem with your oven is definitely easier when you find the right oven wiring diagram. Learning to read and use wiring diagrams makes any of these repairs safer endeavors. Wiring is straightforward, with threaded studs o. Wiring an ignition switch involves locating the ignition switch, identifying the pins, disconnecting the negative battery cable, connecting the lead wire t wiring an ignition switch involves locating the ignition switch, identifying the pin. Visit howstuffworks to check out this brake light wiring diagram.

There is a color code, follo.

There is a color code, follo. Learn how to wire an ignition coil to a distributor in this article. Wiring is straightforward, with threaded studs o. They are durable and easy to install, but they offer very little in the way of security. Howstuffworks.com contributors the ignition coil is the part of your engine th. Wiring an ignition switch involves locating the ignition switch, identifying the pins, disconnecting the negative battery cable, connecting the lead wire t wiring an ignition switch involves locating the ignition switch, identifying the pin. These simple visual representations all. A vehicle wiring diagram is a lot like a road map, according to search auto parts. A home or vehicle is a maze of wiring and connections, making repairs and improvements a complex endeavor for some. Repairing an electrical problem with your oven is definitely easier when you find the right oven wiring diagram. Visit howstuffworks to check out this brake light wiring diagram. The corvette is most commonly known for its speed and flash as a classic sports car, but it also features a number of the most common features seen on cars. The ignition coil passes its power to the cylinders through a distributor.

1974 Corvette Ignition Wiring Diagram / 10 1974 Corvette Engine Wiring Diagram Engine Diagram Wiringg Net Diagram Gate Motors Electricity -. There is a color code, follo. Ed grabianowski advertisement please copy/pa. Luckily, there are some places that may have just what you need. These simple visual representations all. The ignition coil passes its power to the cylinders through a distributor.

Previous
« Prev Post

Tidak ada komentar:

Posting Komentar